专注MCU智能产品开发及设计方案

24小时热线

18267879466

联系邮件

3535157142@qq.com

产品详情

  • 产品名称YX2711单机片
  • 当前分类YX单片机(MCU)
  • 联系电话18267879466
  • 产品简介YX2711是一块8位的单片机电路,主要应用于为家电产品提供高抗干扰性能解决方案。功能特点FUNCTIONAL CHARACTERISTICS·存储器配置:OTP ROM 空间:1K * 16 位;R···

产品概述PRODUCT OVERVIEW

产品概述.jpg 

YX2711是一块8位的单片机电路,主要应用于为家电产品提供高抗干扰性能解决方案。

功能特点FUNCTIONAL CHARACTERISTICS

· 存储器配置:OTP ROM 空间:1K * 16 位;RAM 空间:64 字节。4层堆栈缓存器

· I/O引脚配置:输入输出双向端口:P0、P4、P5;单向输入引脚:P0.4,与复位引脚共用;具有唤醒功能的端口:P0 电平触发;内置上拉电阻端口:P0、P4、P5;外部中断引脚:P0.0:由寄存器PEDGE 控制;P0.1:下降沿触发

· 3级低电压检测系统(LVD):系统复位,监控系统电源;5个中断源:3个内部中断:TC0、TC1、ADC;2个外部中断:INT0、INT1。

· 强大的指令系统:单周期指令系统(1T)、大部分指令仅需一个周期、跳转指令JMP可在整个ROM区执行、调用指令CALL可在整个ROM区执行、查表指令MOVC可寻址整个ROM区

· 5+1通道12位ADC.:5个外部ADC 输入;一个内部电池检测;内部AD参考电压(VDD、4V、3V、2V)

· 两个8位定时/计数器:TC0:自动装载定时器/计数器/PWM0/ Buzzer输出;TC1:自动装载定时器/计数器/PWM1/ Buzzer 输出。

· 内置看门狗定时器,其时钟源由内部低速RC振荡提供(16KHz@3V,32KHz@5V)

· 双时钟系统:外部高速时钟:RC 模式,高达10 MHz;外部高速时钟:晶体模式,高达16 MHz;内部高速时钟:RC 模式,高达16MHz;内部低速时钟:RC 模式,16KHz(3V),32KHz(5V)

· 工作模式:普通模式:高、低速时钟同时工作;低速模式:只有低速时钟工作;睡眠模式:高、低速时钟都停止工作;绿色模式:由TC0 周期性的唤醒

· 封装形式:P-DIP 14 pins;SOP 14 pins;SSOP 16 pins;SOP8

功能框图FUNCTIONAL BLOCK DIAGRAM

功能框图.jpg 

引脚排列图PIN LAYOUT

P-DIP14/SOP14引脚排列图

P-DIP14%SOP14引脚排列图.jpg 

SSOP16引脚排列图

SSOP16引脚排列图.jpg 

SOP8引脚排列图

SOP8引脚排列图.jpg 

引脚说明PIN DESCRIPTION

引脚说明及结构原理图

引脚说明及结构原理图.jpg 

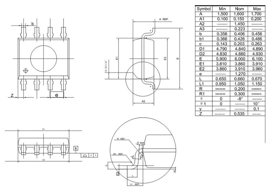
封装尺寸PACKAGE SIZE

P-DIP14外形图与封装尺寸

P-DIP14外形图与封装尺寸.jpg 

SSOP14外形图与封装尺寸

SSOP14外形图与封装尺寸.jpg 

SSOP16外形图与封装尺寸

SSOP16外形图与封装尺寸.jpg 

SOP8外形图与封装尺寸

SOP8外形图与封装尺寸.jpg