专注MCU智能产品开发及设计方案

24小时热线

18267879466

联系邮件

3535157142@qq.com

产品详情

  • 产品名称YX2722单机片
  • 当前分类YX单片机(MCU)
  • 联系电话18267879466
  • 产品简介YX2722单机片是一款有2K字节OTP ROM的8位单片机。本芯片是一款可以为许多嵌入式控制应用提供高效灵活低成本解决方案的微控器。功能特点FUNCTIONAL CHARACTERISTICS·存储···

产品概述PRODUCT OVERVIEW

产品概述.jpg 

YX2722单机片是一款有2K字节OTP ROM的8位单片机。本芯片是一款可以为许多嵌入式控制应用提供高效灵活低成本解决方案的微控器。

功能特点FUNCTIONAL CHARACTERISTICS

· 存储器:ROM:2K*16位;RAM:128字节

· 4种时钟系统:内部高速时钟:RC模式,高达16MHz;内部低速时钟:RC振荡器16KHz(3V),32KHz(5V);外部高速时钟:RC模式,高达10MHz;外部高速时钟:晶振模式,高达16MHz

· I/O引脚配置:双向输入输出口:P0、P4、P5;具有唤醒功能端口:P0电平触发;内置上拉电阻端口:P0、P4、P5;外部中断引脚:P0.0;ADC输入引脚:AIN0~AIN4

· 4个中断源:3个内部中断源:T0、TC0、ADC;1个外部中断源:INT0

· 2个8位定时器:T0:基本定时器;TC0:自动装载定时/计数器/PWM/蜂鸣器输出

· 5通道12位ADC;Fcpu(指令周期):Fcpu = Fosc/4、Fosc/8、Fosc/16

· 功能强大的指令系统:指令长度为1个字;大部分指令执行只需1个周期;跳转指令JMP可在整个ROM区执行;查表指令MOVC可寻址整个ROM区

· 8层堆栈缓存器;单通道8位PWM输出;单通道2KHz/4KHz蜂鸣器输出;内置看门狗定时器,其时钟源由内部低速RC振荡器提供(16KHz @3V,32KHz@5V)

· 4种工作模式:普通模式:高、低速时钟同时工作;低速模式:只有低速时钟工作;睡眠模式:高、低速时钟均不工作;绿色模式:由定时器周期性唤醒

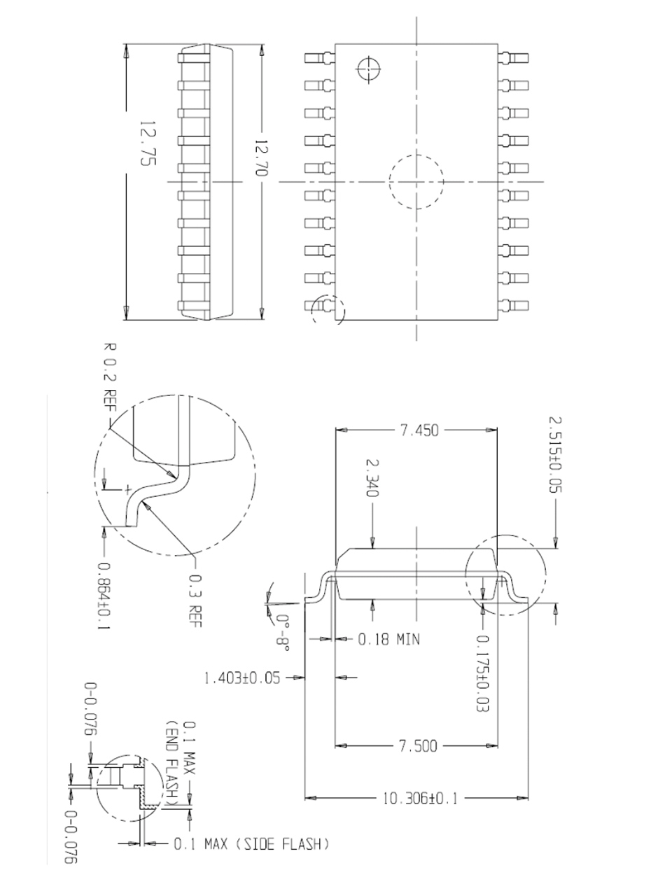
· 封装形式:SOP 20 pin

功能框图FUNCTIONAL BLOCK DIAGRAM

功能框图.jpg 

引脚排列图PIN LAYOUT

引脚排列图

引脚排列图.jpg 

引脚说明PIN DESCRIPTION

引脚说明及结构原理图

引脚说明及结构原理图.jpg 

封装尺寸PACKAGE SIZE

SOP20外形图与封装尺寸(单位:mm )

SOP20外形图与封装尺寸(单位:mm ).jpg